Official Support-Page:
Hardware - Software - Utilities - FAQ - Docs
for
Z80-Family

Last updated: March 2025


The purpose of this page and its sub pages about members of Z80 family (and close relatives) is to collect and share information and good ideas. I know there are lots of people out there, who have developed some good utilities and hardware solutions. Now we all can share this infomation.
This page contain docs, FAQs, source code, (cross-)assemblers, (cross-)compilers, utilities, etc. as well as links to other Z80 relevant stuff.
Some of the info found here is property of Zilog, like hardware docs, instruction sets, and some of the software available. Read the copyright notice.
If you know an URL matching the subject of this WWW-page, tell me, and give recommendations where to place best.
Some of the links here are no more online and some are not yet correct: they are marked with a ??? sequence; in case you know the appropriate URL: I'm ready for an update.
Please report all updates, corrections and suggestions to the webmaster Gaby Chaudry.
Be aware of the fact that many products mentioned in this series of Z80 related documents are nowadays out of production: if you want to start a project, don't forget to check where to get the parts from, and what the conditions are ...

Yes I have read the legal info


Information about our Data Privacy Policy according to the German Federal Data Protection Act (BDSG).


Breaking News!

Important Information

  • Z80 Product line: Z84C00 End of Life/Last Time Buy Notification.
  • The Z80 Is Dead. Long Live The Free Z80!

  • Table-of-Contents:



    General Information about Z80-Family


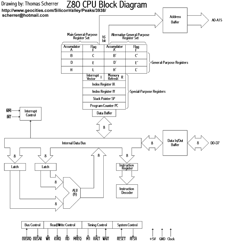
    Basic Information (Architecture)


    Basic Information (Data Sheets)


    Basic Information (Instruction Set)


    Basic Information (Chips' Pinouts)


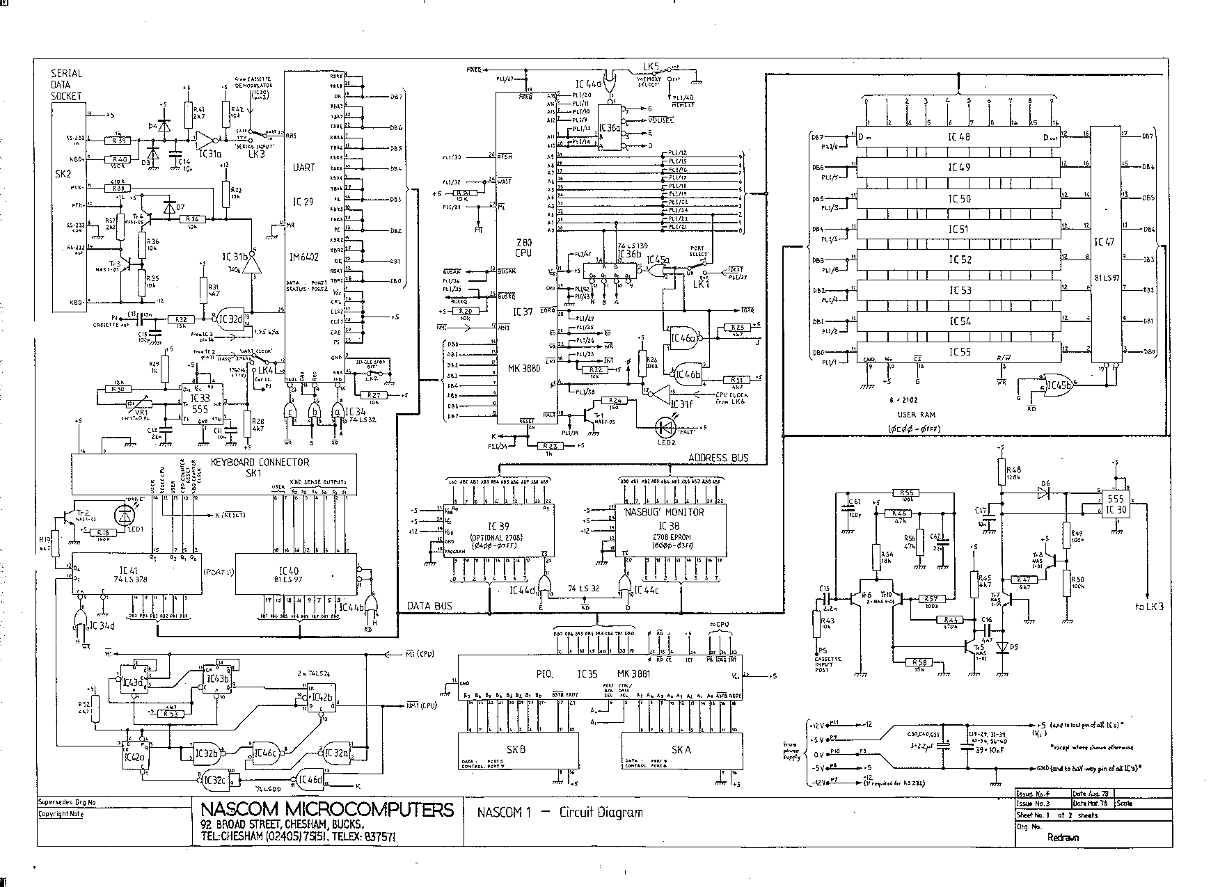
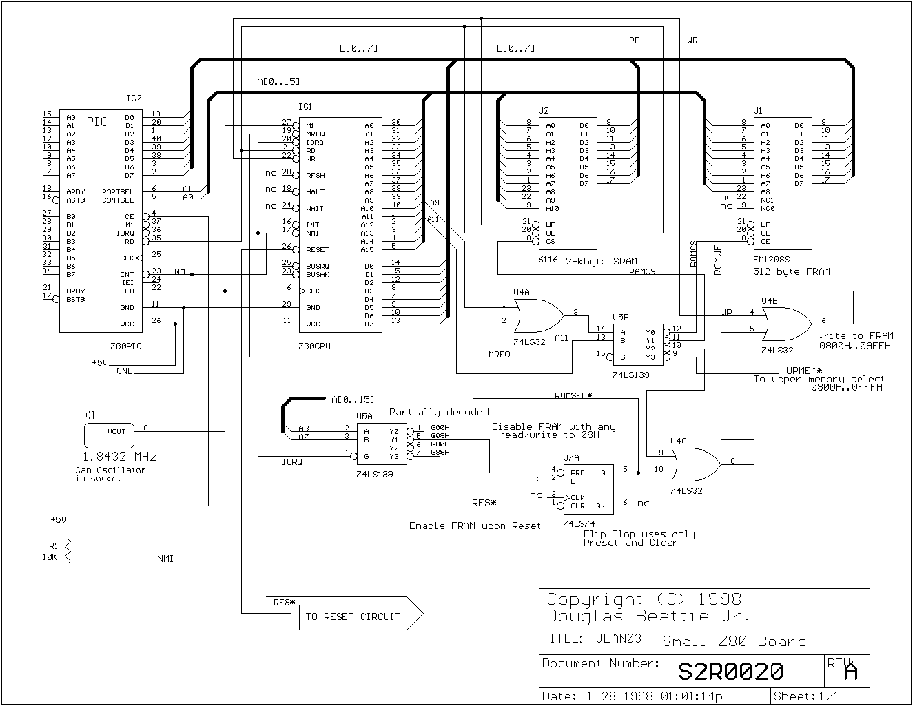
    Basic Information (Circuit Schematics)


    Software Tutorials


    Special Items (Z80)


    Source Code Examples ...

    ... in Assembly Language:

    Source Code Requests from you:


    Chip and Component Distributors


    Various useful sites



    Back to Table-of_Contents
    Back to Top

    Last update: March 15, 2025.